Electrobomba BMVD-2/15
Referencia: 221165
Electrobomba de superfície FORAS WATER PUMPS muy adecuada para aplicaciones civiles, agrícolas e industriales, grupos de presión, sistemas de riego, tratamientos de aguas, aires acondicionados, sistemas de lavado, aguas potables o con glycol, industria alimentaria, etc.
Bomba centrífuga multicelular vertical que garantiza presiones elevadas. Particularmente apropiada para aplicaciones civiles e industriales - en particular para equipos de presión, instalaciones antiincendio e instalaciones de lavado.
| Cuerpo bomba | Fundición de hierro |
| Soporte motor | Fundición de hierro |
| Camisa externa | Fundición de hierro |
| Rodetes | Latón |
| Sello mecànico |
Cerámica/Grafito |
| Eje motor | Acero inoxidable AISI 304 |
| Fluido | Aguas limpias y líquidos no agresivos ni viscosos, exentos de sustancias sólidas |
| Temperatura del líquido | -10 - +90 ºC |
| Altura máxima aspiración | Consulte curva NPSH |
| Presión de trabajo |
max 30 bar |
| Temperatura ambiente | max 40 ºC |
| Caudal máximo | 1500 l/min |
| Altura máxima | 260 m |
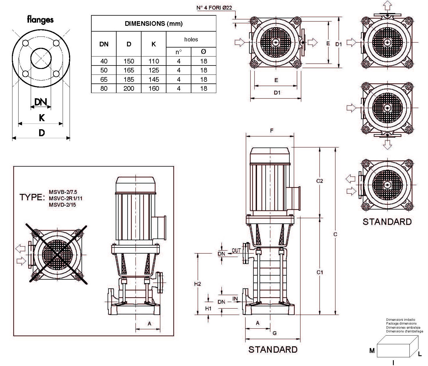
| DN-Aspiración | DN65-PN16 |
| DN-Impulsión | DN50-PN40 |
| Motor | 2 polos a inducción 230/400 V - 50 Hz |
| Clase de eficiencia | IE2 o standar Pentax |
| Clase de aislamiento | F |
| Grado de protección | IP55 |

| TIPO | P2 | P1 | AMPERE | Q (m3/h - l/min - l/s) | |||||||||||||
| 3 ~ | (HP) | (kW) | 3 ~ (kW) |
3x400 V 50 Hz |
0 | 36 | 39 | 42 | 48 | 54 | 57 | 60 | 66 | 72 | 78 | 84 | 90 |
| 600 | 650 | 700 | 800 | 900 | 950 | 1000 | 1100 | 1200 | 1300 | 1400 | 1500 | ||||||
| 10 | 10,83 | 11,67 | 13,33 | 15 | 15,83 | 16,67 | 18,33 | 20 | 21,67 | 23,33 | 25 | ||||||
| BMVD-2/15 | 20 | 15 | 17,9 | 29,8 | H (m) | ||||||||||||
| 79,8 | 78 | 77 | 75,7 | 73,4 | 69,9 | 67,9 | 66 | 61,6 | 56,7 | 51,3 | 45,2 | 38,4 | |||||

| TIPO | DIMENSIONES (mm) | PESO (kg) | ||||||||||||||||
| DN IN | DN OUT | Nº ETAPAS | A | C | C1 | C2 | D1 | E | F | G | H1 | H2 | I | L | M | Std. | IE2 | |
| BMVD-2/15 | (UNI PN 10)65 | (UNI PN 40)50 | 2 | 200 | 996 | 498 | 498 | 332 | 282 | 350 | 435 | 95 | 215 | 1400 | 400 | 500 | 175 | 235 |


